A9B57CX200E

Артикул: 12921200
Цена по запросу
Камера машинного зрения для сканирования области,GMAX0505,частота 90 кадр./сек.,разрешение 5120x5120,Colour,CXP-6
Доступен к заказу
 
Спецификация
Файлы
Аналоги

Камера

Разрешение5120×5120
Максимальное разрешение25 Мп
ЛинзаMT-X
Размеры пикселя2.5×2.5
ЦветностьColour
Тип крепления объективаC-Mount
Оптический формат1.1"
Частота кадров при мак. разрешении90 Кадров/c
ИнтерфейсCXP-6, RS-232

Машинное зрение

СенсорGMAX0505
Тип затвораКадровый (Global)
Разрядность10 Бит
Область интереса (ROI)Да

Порты ввода-вывода

Портов CXP всего4
Всего последовательных портов1

Цифровой ввод

Количество каналов DI3

Цифровой вывод

Количество каналов DO3

Порты

Тип коннектора1x12 pin Hirose

Электропитание

DC входное напряжение24...24 В
Питание по интерфейсу PoE/PoCPoCXP

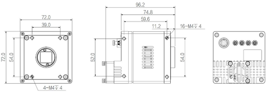
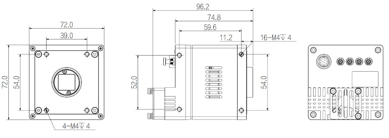
Размеры

Ширина72 мм
Глубина74.8 мм
Высота72 мм

Требования к условиям использования

Рабочая температура-30...50 °C

Сертификация и поддерживаемые стандарты

СертификатыCE, ROHS
Аналогичные товары
Вы смотрели
Заявка

Я ознакомлен и согласен с условиями оферты и политики конфиденциальности.